一、ECL窄线宽激光器的定义:
该窄线宽激光器基于半导体增益芯片,采用独特的外腔结构和先进的封装工艺,具有线宽窄,相对强度噪声低和相位噪声低的特点。器件采用标准的 14 针蝶形封装,具有高输出功率,高稳定性,高可靠性,使用寿命长。
二、ECL窄线宽激光器的特点:
窄线宽
低 RIN 和相位噪声
高输出光功率
稳定性高
三、ECL窄线宽激光器的应用领域
光纤通信
光纤传感
微波光子
量子光学与冷原子物理
激光雷达
引力波探测
仪器仪表与科研
光学相干断层扫描(OCT)
四、ECL窄线宽激光器的相关参数
| 参数 | 符号 | 最小值 | 典型值 | 最大值 | 单位 | 备注 |
| 出纤功率 | Po | 5 | 10 | - | mW | |
| 中心波长 | λc | 1530 | - | 1610 | nm | ITUT 波长/可定制 |
| 波长调谐范围 | - | - | 40 | - | pm | 温度调谐 |
| 工作电流 | Iop | - | - | 400 | mA | |
| 阈值电流 | Ith | - | 50 | 80 | mA | |
| 工作电压 | Vop | - | 2 | 3 | V | |
| 线宽 | ΔνL | 15 | - | 35 | KHz | 洛伦兹 延时自外 差,25km(如指定线 宽请联系销售人员确认) |
| 5 | - | 15 | ||||
| 2 | - | 5 | ||||
| - | - | 2 | ||||
| 相位噪声 | - | - | 35 | - | urad/rt-Hz 1m OPD | ΔνL<35kHz,@200Hz |
| - | - | 22 | - | ΔνL<35kHz,@200Hz | ||
| - | - | 8 | - | ΔνL<35kHz,@200Hz | ||
| - | - | 4 | - | ΔνL<35kHz,@200Hz | ||
| 相对强度噪声 | RIN | - | -150 | - | dB/Hz | |
| 隔离度 | ISO | 45 | - | - | dB | |
| 背光电流 | Id | 50 | 2000 | uA | ||
| 偏振消光比 | PER | 18 | - | - | dB | 慢轴(PMF),23度 |
| 边模抑制比 | SMSR | 50 | - | - | dB |
五、ECL窄线宽激光器的极限条件
| 编号 | 参数 | 指标要求 | 单位 | 备注 |
| 1 | 工作温度 | -10~+70 | ℃ | |
| 2 | 工作湿度 | 0~90 | %RH | 无结露 |
| 3 | 存储温度 | -40~+85 | ℃ | |
| 4 | 激光器最大电流 | 500 | mA | |
| 5 | TEC工作电流 | 1.8 | A | |
| 6 | TEC工作电压 | 4.2 | V | |
| 7 | 引脚焊接温度 | 260(<10s) | ℃ |
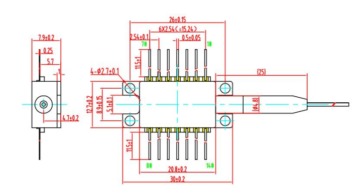
六、ECL窄线宽激光器的光接口定义
| 编号 | 参数 | 指标要求 | 单位 | 备注 |
| 1 | 尾纤类型 | 熊猫型单模保偏光纤,Φ0.9mm | ||
| 2 | 尾纤长度 | 客户定义+/-0.2 | M | |
| 3 | 连接器类型 | 客户定义 |
七、ECL窄线宽激光器的电引脚定义
N型引脚定义(支持定制引脚定义)| 引脚编号 | 1 | 2 | 3 | 4 | 5 | 6 | 7 |
| 引脚定义 | TEC+ | Thermistor | mPD+ | mPD- | Thermistor | NA | NA |
| 引脚编号 | 8 | 9 | 10 | 11 | 12 | 13 | 14 |
| 引脚定义 | NA | NA | LD+ | LD- | NA | CASE | TEC- |

九、四川梓冠光电ECL窄线宽激光器的订购信息
型号:ZG-NLFL-ECL-A-B-C-D-E-F-G
| ZG-NLFL-ECL | A | B | C | D | E | F | G | H |
| BF14 | 波长(nm) | 线宽 | 引脚定义 | 光纤长度 | X | 输出功率 | 连接头类型 | |
| 蝶型14针 | ITU-T 波长 定制波长 | 5=5KHz 10=10KHz 35=35kHz | N型 S型 | 0.5=0.5m 1=1m | 09SMF=900um 单模 25SMF=250um 单模 09PMF=900um 保偏 25PMF=250um 保偏 CS= Customize | 10=10mW 5=5mW | FC/APC FC/PC |