二、1x2磁光开关反射式(可逆)应用范围
光开关三、1x2磁光开关反射式(可逆)技术指标
| 参数 | 单位 | 数值 | 备注 |
| 波长范围 | nm | 1525~1565 | 其他波段可选 |
| 插入损耗 | dB | 0.8(Typ.);1.2(Max.) | |
| 偏振相关损耗 | dB | 0.15(Typ.);0.3(Max.) | |
| 回波损耗 | dB | 30 | 典型值>45dB |
| 串扰 | dB | 30 | 典型值>45dB |
| 偏振模色散 | ps | 0.3 | |
| 可重复性 | dB | +/-0.01 | |
| 耐久性 | cycles | >100Billions | |
| 开关速度 | μs | 定时的(200~400);超快的(10~30) | 其他速度可选 |
| 储存温度 | ℃ | -40~85 | |
| 工作温度 | ℃ | -5~70 | |
| 最大光功率 | mW | 500 | 高功率可选 |
| 尺寸(长x宽x高) | mm | 28×9.5×7.8 |
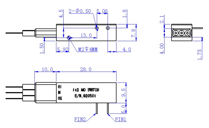
四、1x2磁光开关反射式(可逆)尺寸图

五、1x2磁光开关反射式(可逆)电气规格
| 参数 | 规格 | 单位 | |
| 定时的 | 超快的 | ||
| 开关速度 | 200~400 | 10~30 | μs |
| 开关电压(VCC) | 5(+/-5%) | 6.0~7.0 | V |
| 开关电流 | <100 | <350 | mA |
| 驱动方式 | 电压或脉冲驱动 | 脉冲驱动 | NA |
| 脉冲宽度(典型) | 1000 | 200 | μs |
| 开关频率 | <800 | <3000 | Hz |
六、1x2磁光开关反射式(可逆)引脚定义
| Pin1 | Pin2 | 光输出端口 |
| 1(电压=VCC) | 0(电压=GND) | IN↔OUT 1 |
| 0(电压=GND) | 1(电压=VCC) | IN↔OUT 2 |
| 1(电压=VCC) | 0(电压=GND) | OUT2↔IN |
| 0(电压=GND) | 1(电压=VCC) | OUT1↔IN |
七、四川梓冠光电1x2磁光开关反射式(可逆)订购信息
| ZG | 工作模式 | 开关速度 | 工作波长 | 光纤 | 光纤长度 | 连接器类型 |
| 双向 | 1.200~400us 2.10~30us 3.Others | 1.CBand1525~1565 nm 2.L Band 1565-1615 nm 3.C&L Band 4.Others | 1.250μm fiber 2.900μm fiber 3.Others | 1.0.5+/-0.1 m 2.1.0+/-0.1 m 3.Others | 0.No Connector 1.FC/UPC 2.FC/APC 3.SC/UPC 4.SC/APC 5.LC/PC 6.MU/PC 7.Others |